
Programmablauf für Heizungsregelung UVR 1611
Dippoldiswalde: Hausbesitzer plant und baut Heizungsanlage selbst
Programmablauf für Heizungsregelung UVR 1611
Dippoldiswalde: Hausbesitzer plant und baut Heizungsanlage selbst
Ausgangssituation:
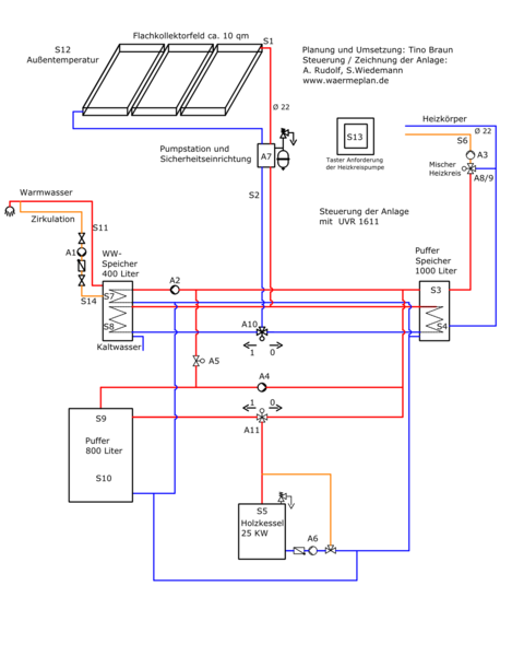
Die Steuerung der ursprünglichen Heizungsanlage mit einem Forster Etagenheizkessel, einer Solaranlage, Warmwasser und Pufferspeicher erfolgte durch mehrere Steuerungen. Durch einen Defekt an einem der Steuerbauteile musste ein neuer Regler eingebaut werden.
Aufgrund der bereits geplanten Erweiterung der Heizungsanlage entschied sich der Besitzer für eine zentrale Lösung mit dem Regler UVR1611 von Technische Alternative. Mit diesem konnte zum damaligen Zeitpunkt die Funktion des defekten Reglers übernommen werden. Nach dem erfolgten Umbau der Heizung übernimmt die Regelung alle Steuer- und Regelungsaufgaben im System.
Der Umbau und die hydraulische Verschaltung der Anlage wurde durch den Hausherren in Eigenregie und nach den anerkannten Regeln der Technik durchgeführt. Die Erstellung eines Verschaltungsplanes sowie die Programmierung der Regelung erfolgte durch uns.
Die drei separaten Steuerungen sind Vergangenheit. D.h. die Solarthermieanlage mit Flachkollektoren, der Kohlevergaserkessel, der Brauchwasser- und zwei Pufferspeicher sowie diverse Pumpen, Ventile, die Warmwasserzirkulation und der Heizkreismischer werden jetzt durch die zentrale Steuerung bedient.
Aufgabenteilung:
Aufgrund seines handwerklichen Geschicks setzte der Hausherr seine Ideen zur Wärmeversorgung im Haus selbst um. Detailfragen, die Materialauswahl und Dimensionierung der Komponenten wurden gemeinsam besprochen. Die hydraulische Verschaltung wurde geplant und gezeichnet und der Umbau der Anlage begann.
Darauf aufbauend konnten wir die Wünsche und Anforderungen des Hausherren an die Regelungstechnik berücksichtigt und ein individuelles Progamm geschrieben werden.
Ein herzlicher Dank geht an den Elektriker für die geleistete Vorarbeit zum Anschluss von Sensoren und Schaltausgängen.
Vorteile:
- Umsetzung von eigenen Ideen des Hausherrn
- Kostengünstiger Umbau der Anlage durch erbrachte Eigenleistung
- Hilfestellung bei Detailfragen und der Erstellung des Schaltschemas
- Individuelles Programm für die Regelung von Wärmeerzeugern und -verbrauchern
- Zentrale Regelung für perfektes Zusammenspiel aller Anlagenkomponenten
- Geringe Heizkosten / Brennstoffkosten durch Nutzung von Sonnenenergie
d.h. Solarthermieanlage und Kohlevergaser bzw. Festbrennstoffkessel
Wir wünschen Familie Braun viel Freunde mit der neuen Heizungsanlage sowie Erfolg und viel Kundschaft in der Autowerkstatt KSH-Motive.